株式会社ニコン|Japan
| 型式 | MAR-M700MFA | |
|---|---|---|
| 分解能 | 1回転部分 | 最大27 bit(134,217,728分割) |
| 多回転信号 | 最大16 bit(65,536回転) | |
| 応答回転速度 | 主電源ON時 | 8000 min-1 |
| バックアップ動作時 | 8000 min-1 | |
| 電源電圧 | 主電源ON時 | DC 5(±10%) V |
| バックアップ動作時 | - | |
| 消費電流 | 通常動作時 | 120 mA(TYP) |
| 外部バッテリ使用時 | - | |
| 動作温度範囲 | ‒20 ~ +105 ℃ | |
| 軸慣性モーメント | 1.2 × 10-7 kg・m2 | |
| 許容回転角加速度 | 1.0 × 105 rad/sec2 | |
| 通信プロトコル | A-format® | |
| 伝送規格 | EIA 規格RS-485 準拠 | |
| 伝送方式 | NRZ 半2 重シリアル通信 | |
| ボーレート | 2.5 Mbps(オプション:4 Mbps–16 Mbps) | |
| 信号線数 | 4 本 | |
| 不揮発性メモリアクセス開放領域 | 3750ビット(240 × 16ビット) | |
| 温度センサ | 対応 | |
| バス接続 | 対応 | |
| オプション | 最高8軸までエンコーダを接続可能 | |
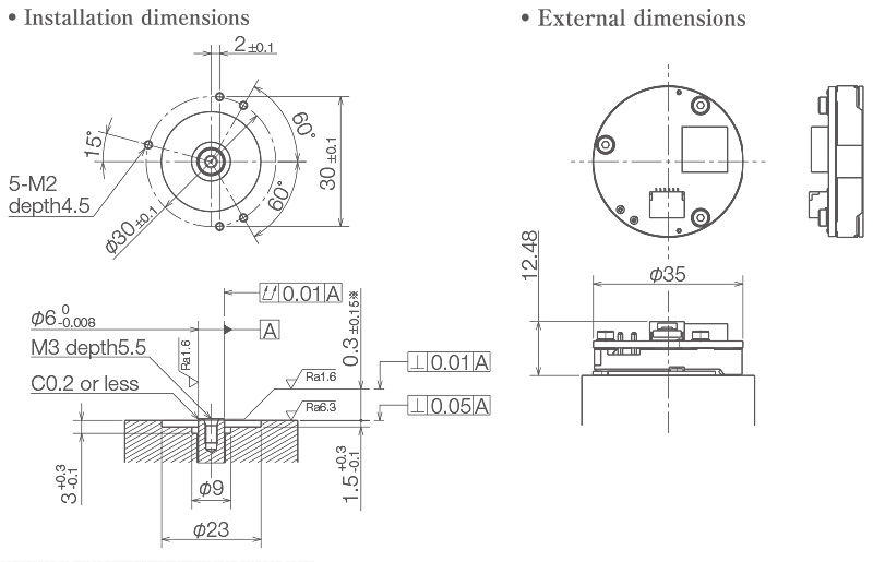
| 寸法 | 外径(Φ) | 35 mm |
| 高さ | 12.48 mm(TYP) | |
株式会社ニコン
インダストリアルソリューションズ事業部