法人のお客様
カメラヘッド

LuFact CH050-MG

Cマウント 有効画素数 510万画素 モノクロ グローバル シャッター A2000-G

仕様

仕様比較表
横にスクロールしてご覧ください。
撮像素子 1/2.8型 CMOSイメージセンサー 1/1.8型 CMOSイメージセンサー 1/1.8型 CMOSイメージセンサー 1/1.8型 CMOSイメージセンサー 1/1.8型 CMOSイメージセンサー
有効画素数 1945 3864 3864 2472 2472
1097 2180 2180 2064 2064
画素数 213 万画素 842 万画素 842 万画素 510 万画素 510 万画素
実効画素数 1920 3840 3840 2432 2432
1080 2160 2160 2048 2048
実効イメージサイズ(実効撮像面積) 水平 5.568 mm(1920 × 2.9 μm) 7.680 mm(3840 × 2.0 μm) 7.680 mm(3840 × 2.0 μm) 6.664 mm(2432 × 2.74 μm) 6.664 mm(2432 × 2.74 μm)
垂直 3.132 mm(1080 × 2.9 μm) 4.320 mm(2160 × 2.0 μm) 4.320 mm(2160 × 2.0 μm) 5.612 mm(2048 × 2.74 μm) 5.612 mm(2048 × 2.74 μm)
対角 6.388 mm 8.812 mm 8.812 mm 8.712 mm 8.712 mm
走査方式 プログレッシブスキャン プログレッシブスキャン プログレッシブスキャン プログレッシブスキャン プログレッシブスキャン
カラーフィルタ配列 モノクロ モノクロ カラー モノクロ モノクロ
電子シャッター ローリングシャッター ローリングシャッター ローリングシャッター グローバルシャッター グローバルシャッター
露光時間 0.0148 ms ~ 1000 ms 0.0148 ms ~ 1000 ms 0.0148 ms ~ 1000 ms 0.0100 ms ~ 1000 ms 0.0100 ms ~ 1000 ms
ゲイン補正 0 ~ 72 dB、0.3 dB刻み 0 ~ 72 dB、0.3 dB刻み 0 ~ 72 dB、0.3 dB刻み 0 ~ 48 dB、0.1 dB刻み 0 ~ 48 dB、0.1 dB刻み
感度 F2.0 F8.0 F5.6 F5.6 F5.6
条件 被写体照度 500 lx 3100 lx 3150 lx 3150 lx 3150 lx
ゲイン 0 dB 0 dB 0 dB 0 dB 0 dB
露光時間 39.7528 ms 21.267 ms 23.606 ms 18.88 ms 18.88 ms
最低被写体照度 約7 lx 約6 lx 約8 lx 約6 lx 約6 lx
条件 F値 F2.0 F1.8 F1.8 F1.8 F2.4
ゲイン 30 dB 30 dB 30 dB 30 dB 30 dB
露光時間 32.2788 ms 6.734 ms 4.9136 ms 4.91 ms 8.74 ms
変換効率設定 HCG
最大フレームレート ※ Bandwidth Limit(Mbps)1000の時の値 Raw12bit ・1920×1080:約40 fps
・960×540:約120 fps
・3840×2160:約9.7 fps
・960×540:約114 fps
【Full Resolution】
・2432×2048:約16.1 fps
・1000×1000:約81 fps

【High Frame】
・1216×1024:約64.4 fps
・776×776:約133 fps
【Full Resolution】
・2432×2048:約16.1 fps
・1000×1000:約81 fps

【High Frame】
・1216×1024:約64.4 fps
・776×776:約133 fps
Raw10bit ・1920×1080:約40 fps
・960×540:約120 fps
・3840×2160:約9.7 fps
・960×540:約114 fps
【Full Resolution】
・2432×2048:約16.1 fps
・1000×1000:約81 fps

【High Frame】
・1216×1024:約64.4 fps
・776×776:約133 fps
【Full Resolution】
・2432×2048:約16.1 fps
・1000×1000:約81 fps

【High Frame】
・1216×1024:約64.4 fps
・776×776:約133 fps
Raw8bit ・1920×1080:約60 fps
・960×540:約120 fps
・3840×2160:約14.5 fps
・960×540:約114 fps
- 【Full Resolution】
・2432×2048:約24.1 fps
・1000×1000:約119 fps

【High Frame】
・1216×1024:約96.6 fps
・776×776:約193 fps
【Full Resolution】
・2432×2048:約24.1 fps
・1000×1000:約119 fps

【High Frame】
・1216×1024:約96.6 fps
・776×776:約193 fps
YUV_420_888 ・3840×2160:約9.8 fps
・960×540:約114 fps
BayerRG8 ・3840×2160:約14.7 fps
・960×540:約114 fps
レンズマウント Sマウント Sマウント Sマウント Sマウント Cマウント
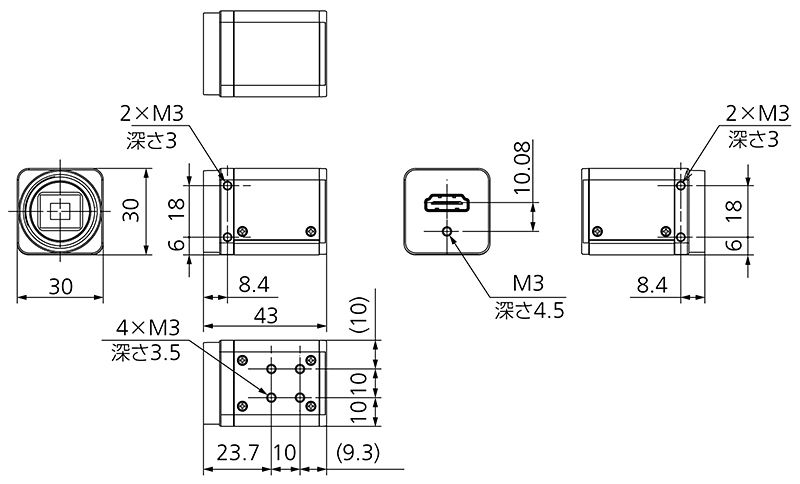
外形寸法 20 mm 20 mm 20 mm 20 mm 30 mm
高さ 20 mm 20 mm 20 mm 20 mm 30 mm
奥行 43.2 mm 43.2 mm 43.2 mm 43.2 mm 43 mm
質量 25.5 g 25.5 g 25.5 g 25.5 g 46 g
使用温度/相対湿度 0℃~+60℃/35%RH~85%RH(結露しないこと) 0℃~+60℃/35%RH~85%RH(結露しないこと) 0℃~+60℃/35%RH~85%RH(結露しないこと) 0℃~+60℃/35%RH~85%RH(結露しないこと) 0℃~+60℃/35%RH~85%RH(結露しないこと)
保存温度/相対湿度 0℃~+60℃/35%RH~85%RH(結露しないこと) -30℃~+60℃/20%RH~90%RH(結露しないこと) -30℃~+60℃/20%RH~90%RH(結露しないこと) -30℃~+60℃/20%RH~90%RH(結露しないこと) -30℃~+60℃/20%RH~90%RH(結露しないこと)
外形寸法図
入出力端子
Camera Out(HDMI Type A コネクタ)
ユニット・カメラヘッド対応表
型式 AH020-MR AH080-MR AH080-CR AH050-MG CH050-MG
A2000-G 対応あり 対応あり 対応あり 対応あり 対応あり
A1000-G 対応あり 対応あり 対応なし 対応なし 対応なし
A1000-U 対応あり 対応あり 対応なし 対応なし 対応なし

資料ダウンロード

マシンビジョンカメラ LuFactカタログ
より詳しい情報はカタログをご覧ください。

お問い合わせ

株式会社ニコン
インダストリアルソリューションズ事業部

製品カタログのご希望、製品仕様に関するお問い合わせ、デモのご相談など、下記のお問い合わせフォームよりお気軽にお問い合わせください。

関連製品

GigE Vision
AH020-MR
AH080-MR
AH080-CR
AH050-MG
CH050-MG